Loading...

WD1 lightning protection box

  •      

Product Description

Introduce

The box type surge protector series is applicable to the lightning protection of the main power supply in important places as well as the UPS power supply, machine room power supply and other equipment power supply according to Class A, B, C and D, such as various power distribution stations, power distribution rooms, AC/DC distribution panels, switch boxes and other important equipment that are vulnerable to lightning strikes. The box type surge protector with lightning strike counter is designed according to C standard, and is equipped with power supply operation indication, fault indication, lightning strike counter, etc.
This product is applicable to lightning protection of 220/380V power distribution system. The lightning protection box is equipped with an air switch external separation device, and is equipped with functions such as work indication, fault indication and lightning strike counter. The temperature controlled circuit breaker technology is used to build in the over-current protection circuit, which can completely avoid fire. It has many advantages, such as extremely low residual voltage, fast response, large flow capacity, long service life, complete varieties, simple maintenance, etc. Products with 3+1 protection mode, various working voltage levels and lightning current capacity can be specially produced according to user needs. 8/20 μ S The maximum discharge current Imax can reach 80-200K/line.
Box type explosion-proof box is a kind of distribution box with explosion-proof performance. Install the lightning protection module in the explosion-proof box. Explosion proof distribution box is applicable to the power box used in the storage/production places where there are flammable/explosive substances/gases. The various components are designed to be sealed and filled with nitrogen. During operation, the sparks generated by the components are not in contact with the explosive gas that may exist outside to avoid explosion.

Feature

1. Optional lightning counter to accurately record the number of lightning strikes
2. Status indicator light, indicating the working status of lightning protection box
3. Large flow capacity, low residual voltage and S-level response speed
4. Realize all-round protection of differential mode and common mode
5. Temperature control and current limiting circuits are set inside to completely avoid fire
6. The box type lightning protection and explosion-proof box can be used for outdoor, explosion-proof and signal line overvoltage protection, and is typically used in the production workshop of chemical plants, gas dispensers, gas depots, oil depots, chemical warehouses and other flammable and explosive occasions:

Ordering Instructions

Users shall indicate the product series, color, model, stage, voltage and quantity in detail when processing and ordering products. For example: XD series white WD1-D-A25/4-385V/20 sets.


Technical Parameter


Model

WD1-XD-200

WD1-XD-150

WD1-XD-120

WD1-XD-100

WD1-XD-80

WD1-XD-60

WD1-XD-40

WD1-XD-20

Rated Working Voltage Uc(V~)

220V/380V

Maximum Continuous Working Voltage Uc(V~)

385V/420V

Voltage Protection Level Up(V~)kV

≤3.0

≤2.6

≤2.6

≤2.4

≤2.4

≤2.2

≤2.0

≤1.8

Maximum Discharge Current Imax(8/20 u s)kA

200

150

120

100

80

60

40

20

Nominal Discharge Current In(8/20 u s)kA

150

100

80

60

40

30

20

10

Response Time ns             

<25

The Cross Section of L/N Line (mm2)

25、35                   16、25

The Cross Section of PE Line(mm2)

35

25,35

25,35

25,35

16,25

16,25

16,25

16,25

Pre-reserve kA

200/150/120/00/80/60/40/20KA

The Line Section of Communication and Alarm(mm2)

≤1.5

Operating Environment℃

-40℃~+85℃

Relative Humidity(25℃)

≤95%

Installation

35 mm standard din rail

Shell material

Fiber glass reinforced plastic


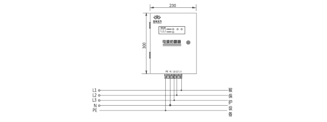
Outline Dimension Drawing

Wiring mode