Loading...

WDCPS-125

  •      

Product Description

Model selection design of dual speed VDCPSD


No

380V

Motor power

Model

Rated current of magnetic protection

Remarks

high speed

low speed

1

5kw-75kw

WDCPSD-16/M16/MX/06M

16A

X


Fire fighting products
06M followed by F is 06MF,
X is the setting current value for low speed operation,
Selected by the designer



2

7.5kw-11kw

WCDPSD-32/M25/MX/06M

25A

X

3

11kw-15kw

WDCPSD-32/M32/MX/06M

32A

X

4

15kw-18.5kw

WDCPSD-45/M40/MX/06M

40A

X

5

18.5Kw-22kw

WDCPSD-45/M45/MX/06M

45A

X

6

22kw-30kw

WDCPSD-63/63AM63/MX/06M

63A

X

7

30kw-37kw

WDCPSD-100/80AM80/MX/06M

80A

X

8

37kw-45kw

WDCPSD-100/100AM100/MX/06M

100A

X

9

45kw-55kw

WDCPSD-125/125AM125/MX/06M

125A

X


Selection and design of VDCPSJ for star delta decompression startup


No

380V

Motor power

Model

Remarks

1

11kw-15kw

WDCPSJ-32/M32/06M

For fire protection products, the added F after 06M is 6MF


2

15kw-18.5kW

WDCPSJ-45/M40/06M

3

18.5kw-22kw

WDCPSJ-45/M45/06M

4

22kw-30kw

WDCPSJ-63/M63/06M

5

30kw-37kw

WDCPSJ-100/M80/06M

6

37kw-45kw

WDCPSJ-100/M100/06M

7

45kw-55kw

WDCPSJ2-100/M80/06M

8

55kw-75kw

WDCPSJ2-125/M100/06M

9

75kw-90kw

WDCPSJ2-125/M125/06M


WDCPS model selection design


No

380V Motor power

Model

Remarks

1

0.08kw-0.1kw

WDCPS-12/M0.25/08M


For fire protection products, the added F after 06M is 06MF
For isolated products, add G after 06M to 06MG
Fire isolation type 06M with FG added after is 06MFG



2

0.1kw-0.2kw

WDCPS-12/M0.4/06M

3

0.2kw-0.27kw

WDCPS-12/M0.63/06M

4

0.3kw-0.45kw

WDCPS -12/M1/06M

5

0.5kw-0.7kw

WDCPS-12/M1.6/06M

6

0.6kw-0.8kw

WDCPS -12/M2/06M

7

0.8kw-1.1kw

WDCPS-12/M2.5/06M

8

1kw-1.3kw

WDCPS -12/M3/06M

9

1.2kw-1.8kw

WDCPS -12/M4/06M

10

1.9kw-2.6kw

WDCPS -12/M6/06M

11

2kw-2.75kw

WDCPS-12/M6.3/06M

12

3kw-3.5kw

WDCPS-12/M8/06M

13

3.5kw-4.5kw

WDCPS -12/M10/06M

14

4kw-5kw

WDCPS-12/M12/06M

15

5kw-7kw

WDCPS -16/M16/06M

16

7kw-9kw

WDCPS-12/M20/06M

17

9kw-11kw

WDCPS -25/M25/06M

18

11kw-15kw

WDCPS-32/M32/06M

19

12.5kw-18kw

WDCPS -45/M40/06M

20

14.5kw-20kw

WDCPS-45/M45/06M

21

16kw-22kw

WDCPS -45/M50/06M

22

20kw-26kw

WDCPS-63/M63/06M

23

28kw35kw

WDCPS-100/M80/06M

24

35kw-45kw

WDCPS-100/M100/06M

25

40kw-55kw

WDCPS-125/M125/06M


Summary


WDCPS, namely "control and protection switch", is a new product in low-voltage electrical appliances as a new category of products. CPS meets the following standards: IEC60947-8-2: (2002) Low voltage Switchgear and Control Equipment - Part 6: Multi functional Apparatus - Section 2: Control and Protection Switchgear and GB14048.9-1998 Low voltage Switchgear and Control Equipment - Functional Apparatus: Control and Protection Switchgear (equivalent to EC60947-8-2).

Product use

WDCPS is mainly used for AC 50HZ (60HZ ☑. The power system with rated voltage of 690V and current of 0.4A~125A can connect, carry and break the current under normal conditions, including specified overload conditions, and can be connected. Carry and break the current under specified exceptional conditions (such as short circuit current).

Product Functions

WDCPS products adopt a modular single product structure, integrating the main functions of traditional circuit breakers (fuses), contactors, overload (or overcurrent, open phase) protection relays, starters, isolators, etc., with remote automatic control and local direct manual control functions, panel indication and electromechanical signal alarm functions, overvoltage and undervoltage protection functions, open phase and open phase protection functions, Time current protection characteristics with coordination (inverse time limit, definite time limit and instantaneous three section protection characteristics) The control and protection of various motor loads and power distribution loads can be realized by selecting functional modules or accessories as required.

Product type and electrical symbol


With VDCPS basic products as the main switch, the following series of products can be formed through combination with various mechanisms and accessories:
a. Fire control and protection switchgear WDCPSF
b. Isolated control and protection switching device NDCPSG
C. Leakage control and protection switchgear WDCPSL
d. Two speed motor controller WDCPSD
e. LCD control and protection switching device WDCPSY
f. Three speed motor controller NDCPSD3
g. Dual power automatic transfer switching device NDCPSS
h. Reversing motor controller NDCPSN
I. Pressure reducing starter:
1. Star delta NDCPSJT WDCPS2
2. Autocoupling DCPSZ
3. Resistance VDCPSR

Operating Instructions

Setting key: when the motor is not running, press this key to enter the protection parameter setting state.
Shift key: select the set word bit (flashing) in the setting state.
Data key: modify the flashing word bit, and add 1,0-9% to the number every time you press it.
Reset key: After the parameter setting is completed, press this key to save the setting parameters and put them into normal detection operation state.

Operating Instructions

1. When the WDCPS is connected to the working power supply, it has no load. The LED displays the voltage value, which can also be used as a voltmeter. The last three digits display the voltage value.
2. WDCPS can also be used as an ammeter to display three-phase current movement circularly during operation.
Press "Shift" to display the operation conditions of phase A, phase B, phase C and L (leakage) current respectively.
Press "Reset" to recover the cycle and display the three-phase current operation.
3. Fault query
Run WDCPS with no load. Press "Data" and compare the panel fault type symbols to view the previous three fault types; When the voltage value is displayed, it means that VDCPS has exited the fault query and put into normal detection operation state; Or restart WDCPS to exit the fault query.

Protection parameter setting

It is invalid to press the setting key when the motor is started and running.
Run NDCPS with no load, press "Set" to select the setting type, press the shift key in turn to select data shift, and press the data key to modify the data.
After a parameter is set, press "Set" to enter the next setting state until the end. Unnecessary options should be abandoned. After all parameters are not set, press the reset key to exit the setting state. Displays the voltage value.

WDCPS operation order


Operation sequence

Show contents

Code definition

Set range

Factory settings

The first time Press the setting key

] 16

Rated current

Set within the protection value specification range

Ordering requirements

The second time Press the setting key

H03

start delay

0-99s

3s

The third time Press the setting key

Fl

Serial number of overcurrent inverse time protection action

Within the range corresponding to No. 1-4

2

The fourth time Press the setting key

P60

Percentage value of three-phase current unbalance

About 20% - 75% difference between current and

60%

The Fifth time Press the setting key

Overvoltage value

0-999

120%

The sixth time Press the setting key

Undervoltage value

0-999

75%

The Seventh time Press the setting key

Leakage current value code

In the range corresponding to No. 1-8

6(Ordering requirements)

The Eighth time Press the setting key

Undercurrent value

0-999、Action time≤30s

0.00le(Off by default)

The ninth time-The Thirteenth time Press the setting key

Ellipsis

After setting, press reset to exit the setting state and save the setting value.
Some functions need to be customized (specifically selected according to user needs).

Basic Electrical Control Diagram


Secondary power supply

Power protection

Power signal

Local manual control

Auxiliary signal

Alarm signal

Function

Stop it

Short circuit

Fault



Secondary power supply

Power protection

Power signal

Local manual control

Auxiliary signal

Alarm signal

Start

Stop

Self-locking

Start

Stop

Short circuit

Fault



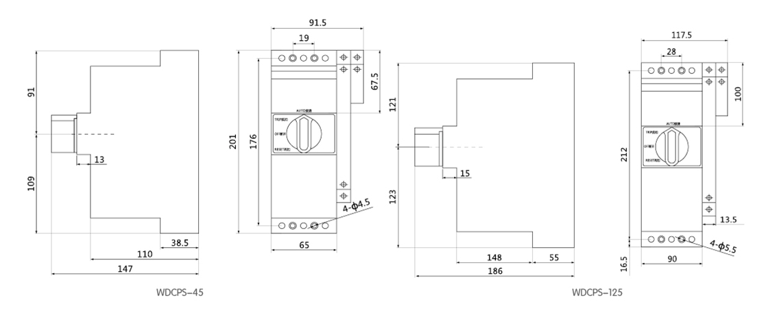
Overall installation dimension