Loading...
summary
WDQ4 series isolated double power automatic change-over switch is mainly used for power distribution with AC 50H, rated voltage of 380V, control rated voltage of 220V, and rated current of 16 to 3200A, or load switching of one main and one standby or mutual main and standby switching systems in the generator network, as well as municipal power and generator sets. At the same time, it can also be used for infrequent connection and disconnection of circuits and isolation of lines.
The products are widely used in power transmission and distribution systems and automation systems in fire protection, hospitals, banks, high-rise buildings and other power supply places where power is not allowed to be cut off.
Compliance with standards
● WS1 series double power automatic transfer switch meets the following standards:
● International standards:
C60,947-1 (1998) Low voltage Switchgear and Controlgear Part 1: General
EC60947-3 (1999) Low voltage Switchgear and Control Equipment, Switches, Isolators, Switches and Fuser Combinations
EC60947-6 (1999) Low voltage Switchgear and Control Equipment Multi function Switch Automatic Transfer Switching Apparatus
● National standards:
GB/T4048.1-2002 General Rules for Low Voltage Switchgear and Controlgear
GB14,048.3-2002 Low voltage Switchgear and Control Equipment, Low voltage Switches, Isolators, Disconnectors and Fuse Combiners
GB14048.11-2002 Low voltage Switchgear and Controlgear Multi functional Electrical Apparatus Part 1: Automatic Transfer Switching Apparatus
Ttechnical parameter
● Double row composite contact, cross pull mechanism, micro motor pre energy storage and micro electronic control technology are adopted to basically realize zero flashover (without arc extinguishing shield):
● Reliable mechanical interlocking and electrical interlocking shall be adopted, and independent load disconnector shall be used as actuating element, which is safe and reliable:
● The zero crossing technology is adopted, and the fog can be forced to set in case of emergency (cut off two power supplies at the same time) to meet the needs of fire linkage:
● Single motor drive is used to perform the switching of load disconnector, and the switching is reliable and stable without noise and small impact force:
● The driver motor of the operator only works stably through the current at the moment when the load disconnector is switched, and it does not need to provide the working current, saving energy significantly:
● The actuating load disconnector is equipped with a mechanical interlock device to ensure that the common and standby power supplies work reliably and do not interfere with each other:
● It has obvious on-off position indication, padlock and other functions, and reliably realizes the isolation between power supply and load cutting:
● Good safety performance, high degree of automation, high reliability, and service life of more than 8000 times:
● Electromechanical integration design, accurate, flexible and smooth switch conversion, international advanced logic control technology, strong anti-interference ability, and no external interference:
● There are three kinds of stable operation (I-0 - II): main power on, standby power off: main power off, standby power on: main and standby power off
● It is easy to install, and the control circuit is connected with plug-in terminals;
● Four operation functions: emergency manual operation, electronic remote control operation, emergency disconnection operation in automatic control state, and automatic control operation.
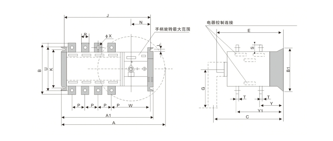
WDQ4-100A~1600A Automatic Transfer Switch Installation Dimension Drawing
|
Specifications |
Overall dimensions and installation dimensions |
|||||||||||||||||||||
|
In |
A |
Al |
B |
B1 |
C |
E |
G |
J |
K |
L |
N |
P |
R |
S |
T |
U |
W |
ΦX |
Y |
Y1 |
||
|
100A/3 |
235 |
232 |
106 |
105 |
134 |
133 |
115 |
221.5 |
84 |
7 |
74.5 |
30 |
14 |
18 |
2.5 |
105 |
126 |
6 |
36 |
86 |
||
|
100A/4 |
247 |
244 |
106 |
105 |
134 |
133 |
115 |
233.5 |
84 |
7 |
74.5 |
30 |
14 |
18 |
2.5 |
105 |
126 |
6 |
36 |
86 |
||
|
125A/3 |
292 |
270 |
135 |
128 |
230 |
189 |
145 |
254 |
102 |
7 |
91 |
36 |
20 |
25 |
3.5 |
127 |
158 |
9 |
55 |
125 |
||
|
125A/4 |
322 |
300 |
135 |
128 |
230 |
189 |
145 |
284 |
102 |
7 |
91 |
36 |
20 |
25 |
3.5 |
127 |
158 |
9 |
55 |
125 |
||
|
160A/3 |
292 |
270 |
135 |
128 |
230 |
189 |
145 |
254 |
102 |
7 |
91 |
36 |
20 |
25 |
3.5 |
127 |
158 |
9 |
55 |
125 |
||
|
160A/4 |
322 |
300 |
135 |
128 |
230 |
189 |
145 |
284 |
102 |
7 |
91 |
36 |
20 |
25 |
3.5 |
127 |
158 |
9 |
55 |
125 |
||
|
250A/3 |
356 |
312 |
170 |
142 |
261 |
208 |
145 |
293 |
102 |
7 |
91 |
50 |
25 |
30 |
3.5 |
142 |
168 |
11 |
60 |
145 |
||
|
250A/4 |
406 |
362 |
170 |
142 |
261 |
208 |
145 |
343 |
102 |
7 |
91 |
50 |
25 |
30 |
3.5 |
142 |
168 |
11 |
60 |
145 |
||
|
400A/3 |
487 |
368 |
260 |
222 |
284 |
273 |
189 |
351 |
180 |
9 |
93 |
65 |
32 |
40 |
5 |
222 |
203 |
11 |
83 |
193 |
||
|
400A/4 |
552 |
433 |
260 |
222 |
284 |
273 |
189 |
416 |
180 |
9 |
93 |
65 |
32 |
40 |
5 |
222 |
203 |
11 |
83 |
193 |
||
|
630A/3 |
487 |
368 |
260 |
222 |
284 |
273 |
189 |
351 |
180 |
9 |
93 |
65 |
40 |
50 |
6 |
222 |
203 |
12 |
83 |
193 |
||
|
630A/4 |
552 |
433 |
260 |
222 |
284 |
273 |
189 |
416 |
180 |
9 |
93 |
65 |
40 |
50 |
6 |
222 |
203 |
12 |
83 |
193 |
||
|
800A/3 |
646 |
519 |
357 |
250 |
363 |
350 |
443 |
499 |
220 |
11 |
87 |
120 |
60 |
69 |
8 |
250 |
207 |
12.5 |
109 |
254 |
||
|
800A/4 |
760 |
633 |
357 |
250 |
363 |
350 |
443 |
613 |
220 |
11 |
87 |
120 |
60 |
69 |
8 |
250 |
207 |
12.5 |
109 |
254 |
||
|
1000A/3 |
646 |
519 |
357 |
250 |
363 |
350 |
443 |
499 |
220 |
11 |
87 |
120 |
60 |
69 |
8 |
250 |
207 |
12.5 |
109 |
254 |
||
|
1000A/4 |
760 |
633 |
357 |
250 |
363 |
350 |
443 |
613 |
220 |
11 |
87 |
120 |
60 |
69 |
8 |
250 |
207 |
12.5 |
109 |
254 |
||
|
1250A/3 |
646 |
519 |
357 |
250 |
363 |
350 |
443 |
499 |
220 |
11 |
87 |
120 |
80 |
69 |
8 |
250 |
207 |
13 |
110 |
255 |
||
|
1250A/4 |
760 |
633 |
357 |
250 |
363 |
350 |
443 |
613 |
220 |
11 |
87 |
120 |
80 |
69 |
8 |
250 |
207 |
13 |
110 |
255 |
||
|
1600A/3 |
646 |
519 |
357 |
250 |
363 |
350 |
443 |
499 |
220 |
11 |
87 |
120 |
80 |
69 |
10 |
250 |
207 |
13 |
110 |
255 |
||
|
1600A/4 |
760 |
633 |
357 |
250 |
363 |
350 |
443 |
613 |
357 |
11 |
87 |
120 |
80 |
69 |
10 |
250 |
207 |
13 |
110 |
255 |
||
|
2000A |
800 |
633 |
460 |
|
542 |
|
447 |
610 |
|
|
84.5 |
|
80 |
120 |
10 |
|
|
|
|
169 |
||
|
2500A |
800 |
633 |
460 |
|
542 |
|
447 |
610 |
|
|
84.5 |
|
80 |
120 |
|
15 |
|
|
|
174 |
||
|
3200A |
800 |
633 |
460 |
|
542 |
|
447 |
610 |
|
|
84.5 |
|
80 |
120 |
|
25 |
|
|
|
179 |
||